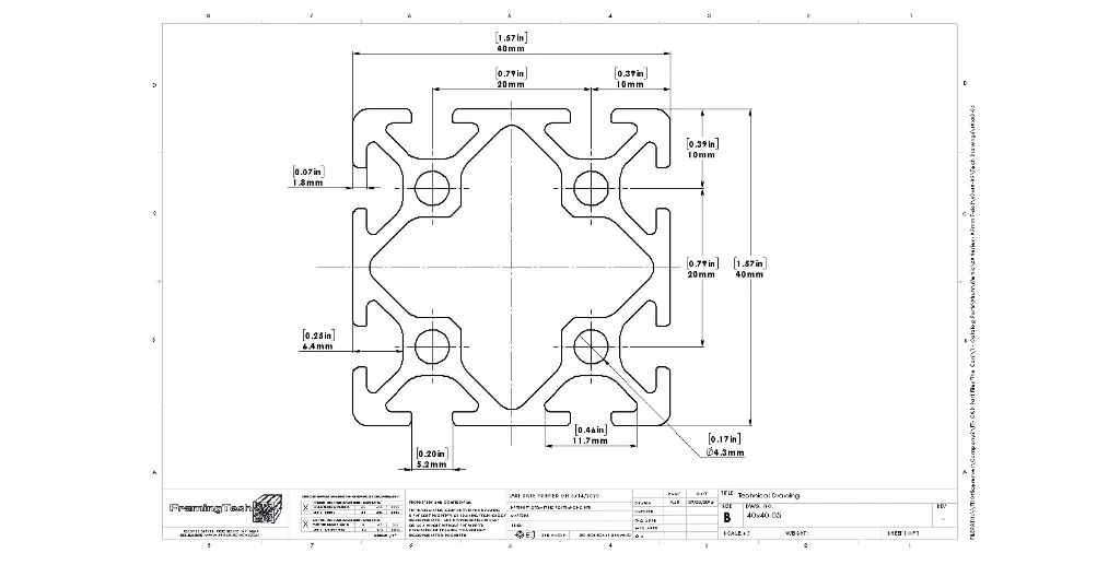
40mm x 40mm T-Slot Profile - 8 (5mm) TSlots
40mm x 40mm Profile, with (8) 5mm T-slots, 6 meters
ACCESSORY PRODUCTS
Your Dynamic Snippet will be displayed here...
This message is displayed because you did not provide both a filter and a template to use.

